Início
A Prodty
Sobre a Prodty
Qualidade e Certificações
Produtos
PN - Cilindros de Nitrogênio
PMC - Régua Transfer
PF - Transfer
PA - Automação
PQ - Sistemas de Troca Rápida
Catálogos
Biblioteca
Fale conosco
Voltar para Biblioteca
Levantadores de tira PNFA/PNFL
Levantadores Modelo
Força (daN)
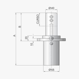
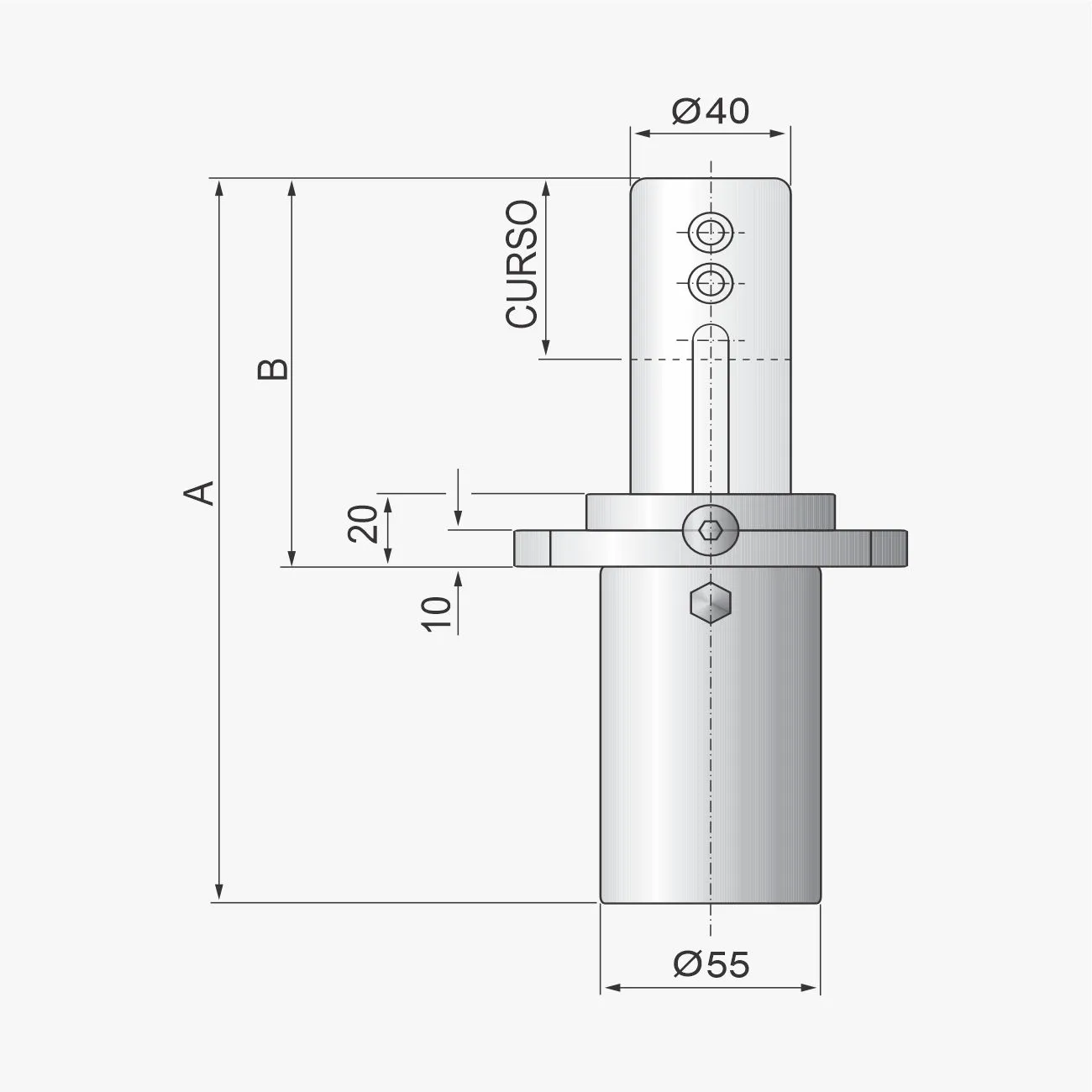
Ø. Corpo
Ø. Haste
Cursos Disponíveis (mm)
Ações
PNFA-01
169.6
55
40
50 / 80 / 100
PNFL-01
169.6
98x58
40
50 / 80 / 100
Levantador PNFA-01
Código
Curso levantador (mm)
Força daN inicial
Pressão à 150bar
Força daN final
Pressão à 150bar
Vol. inicial (cm³)
Download
PNFA-01-050
50
169,6
253,8
3,0
2,298
PNFA-01-080
80
169,6
257,7
25,9
2,771
PNFA-01-100
100
169,6
259,1
32,2
3,082